Nội dung bài viết
Đai ốc hàn 3 chân inox – Vật liệu sản xuất
Đai ốc hàn 3 chân inox được sản xuất chủ yếu từ vật liệu thép không gỉ inox. Đai ốc hàn 3 chân inox là một loại đai ốc khá đặc biệt, được sử dụng để tránh rung động làm lỏng liên kết. Trong đó có các loại tiêu chuẩn inox khác nhau như: inox 316, inox 201, inox 304.
Sản phẩm được ứng dụng rất rộng rãi trong các lĩnh vực như: công nghiệp hóa chất, đóng tàu, ngành cầu đường, dầu khí, các máy móc thiết bị công nghiệp,… Dưới đây là tính chất của từng loại vật liệu này:
Inox 316
Chính vì vậy mà những sản phẩm được sản xuất từ inox 316 thường được sử dụng cho những vị trí có yêu cầu đặc biệt cao về khả năng chống ăn mòn như: những môi trường tiếp xúc trực tiếp với hóa chất ăn mòn, môi trường nước biển, hơi muối… Inox 316 là vật liệu thép không gỉ có mác thép là SUS316. Inox 316 có tinh chịu lực tương đương với độ cấp bền 8.8 của bu lông cường độ cao. Điểm đặc biệt nữa của inox 316 chính là khả năng chống ăn mòn vượt trội.
Inox 201
Inox 201 là vật liệu thép không gỉ có mác thép là SUS201. Inox 201 được biết đến với tính năng chịu lực rất tốt bởi thành phần Cacbon lớn. Do đó những sản phẩm được sản xuất từ inox 201 thường được sử dụng cho những môi trường khô ráo và không yêu cầu khả năng chống ăn mòn.
Inox 304
Tuy nhiên vật liệu này lại không được đánh giá cao về khả năng chống ăn mòn vì rất hạn chế. Thêm nữa là khả năng làm việc được trong môi trường khắc nghiệt như: những môi trường ẩm ướt hay những môi trường có yêu cầu về khả năng chống ăn mòn hóa học tốt.
Inox 304 là vật liệu thép không gỉ có mác thép là SUS304. Loại vật liệu này cũng được đánh giá cao về tính năng chịu lực.

Cấu tạo
Đai ốc hay còn gọi là Ecu luôn được dùng cùng với các sản phẩm bu lông để kẹp chặt hai hoặc nhiều chi tiết với nhau. Đai ốc hàn 3 chân inox là một chi tiết cơ khí có hình tứ giác, có lỗ đã được tạo ren và 3 góc được tạo 3 chân giúp cho nhu cầu và mục đích sử dụng của sản phẩm.
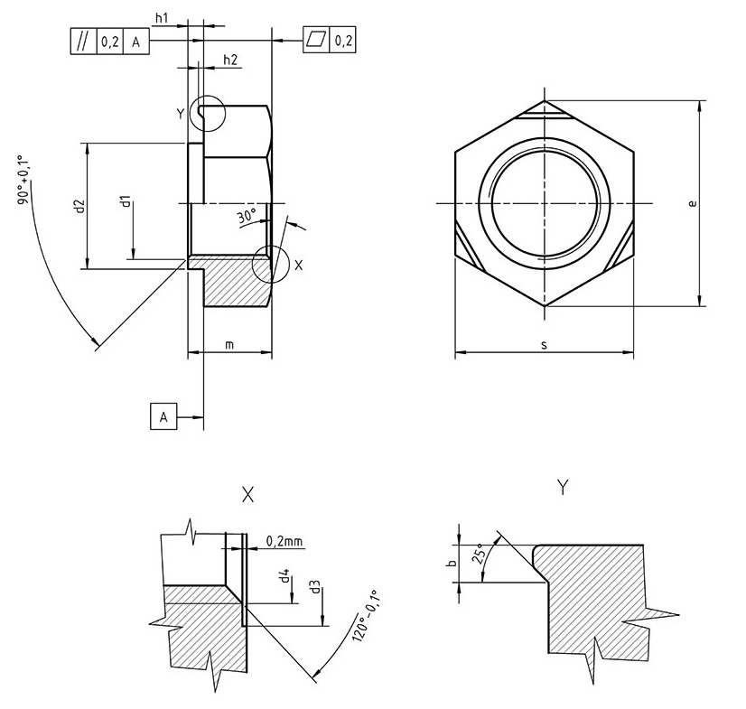
Thông số kỹ thuật của đai ốc hàn 3 chân inox
Đai ốc hàn 3 chân inox được sản xuất theo tiêu chuẩn DIN, JIS, ASTM, ISO, KS, GB, TCVN… Hiện nay, đai ốc hàn 3 chân inox được ứng dụng rất rộng rãi trong các lĩnh vực. Do đó việc sản xuất cũng được mở rộng tuy nhiên nó phải tuân theo những tiêu chuẩn nhất định.
Đạt cấp bền 4, 5, 6, 8, 10, 12 theo tiêu chuẩn ISO 898-2 hoặc vật liệu thép không gỉ Inox 201, Inox 304, Inox 316, inox 316L… với đa dạng chủng loại kính thước từ M3 đến M16.
Tham khảo thêm:
Phân loại
Căn cứ vào vật liệu sản xuất thì ta phân loại đai ốc hàn 3 chân inox thành:
- Đai ốc hàn 3 chân inox 304: được sản xuất từ vật liệu thép không gỉ có mác thép là SUS304.
- Đai ốc hàn 3 chân inox 201: được sản xuất từ vật liệu thép không gỉ có mác thép là SUS201
- Đai ốc hàn 3 chân inox 316L: được sản xuất từ vật liệu thép không gỉ có mác thép là SUS316L
- Đai ôc hàn 3 chân inox 316: được sản xuất từ vật liệu thép không gỉ có mác thép là SUS316

Địa chỉ mua đai ốc hàn 3 chân inox giá rẻ
CƠ KHÍ VIỆT HÀN chuyên sản xuất và nhập khẩu các loại bulong – ốc vít chính là địa chỉ UY TÍN mà bạn có thể tin tưởng và đặt niềm tin khi có các nhu cầu cần tới các loại bulông, ốc vít nói chung và đai ốc hàn 3 chân inox nói riêng.
Mọi thông tin quý khách vui lòng liên hệ:
CÔNG TY TNHH ĐẦU TƯ TM SẢN XUẤT VÀ XNK VIỆT HÀN
Địa chỉ: Số 100/B3 Nguyễn Cảnh Dị, KĐT Đại Kim, Hoàng Mai, HN
Điện thoại: 0917014816/0979293644
Email: cokhiviethan.hanoi@gmail.com / bulongviethan@gmail.com
